info@padesd.com
Language:
繁体
拨打服务专线:15995676504
Toggle navigation
产品介紹
产品介紹
SMC 真空吸盘
妙德CONVUM 真空吸盘
匹士克 PISCO 真空吸盘
非标真空吸盘
PEEK真空吸盘
海绵真空吸盘
微型真空吸盤
吸盘金具
吸盘接头与配件
O型环
空压、油压迫紧
全氟橡胶
服务介紹
最新消息
公司简介
联系我们
立即拨打 15995676504
打电话
产品介紹
最新消息
联系我们
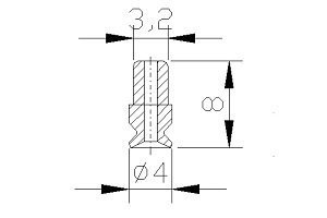
产品专区匹士克 PISCO 真空吸盘VP R 标准型单层真空吸盘
首页
产品专区
匹士克 PISCO 真空吸盘
VP R 标准型单层真空吸盘
更多咨询
VP R 标准型单层真空吸盘
1页1条