VP R 标准型单层真空吸盘

真空吸盘 VP R 标准型单层 真空吸盘规格: 如下图 服务:提供客户各种真空吸盘材质予以应用,像是NBR、Silicone、VITON、FKM、导电NBR、导电硅胶、抗静电ESD,提升生产良率并且改善了生产时的印痕…等项目。欢迎与我们联络

产品资讯

真空吸盘型号 图片 尺寸图 备注
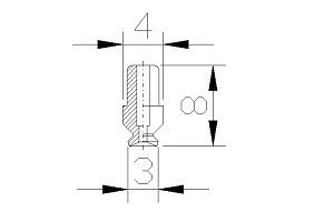
VR1-02 VP R 标准型单层真空吸盘 VP R 标准型单层真空吸盘 VP-2R
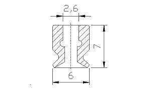
VR1-03 VP R 标准型单层真空吸盘 VP R 标准型单层真空吸盘 VP-3R
VR1-04 VP R 标准型单层真空吸盘 VP R 标准型单层真空吸盘 VP-4R
VR1-06 VP R 标准型单层真空吸盘 VP R 标准型单层真空吸盘 VP-6R
VR1-08   VP R 标准型单层真空吸盘 VP-8R
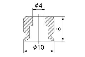
VR1-10 VP R 标准型单层真空吸盘 VP R 标准型单层真空吸盘 VP-10R
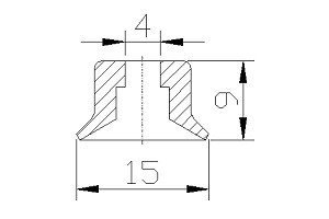
VR1-15 VP R 标准型单层真空吸盘 VP R 标准型单层真空吸盘 VP-15R
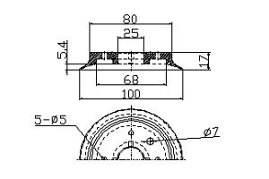
VR1-100 VP R 标准型单层真空吸盘 VP R 标准型单层真空吸盘 VP-100R