info@padesd.com
Language:
繁体
拨打服务专线:15995676504
Toggle navigation
产品介紹
产品介紹
SMC 真空吸盘
妙德CONVUM 真空吸盘
匹士克 PISCO 真空吸盘
非标真空吸盘
PEEK真空吸盘
海绵真空吸盘
微型真空吸盤
吸盘金具
吸盘接头与配件
O型环
空压、油压迫紧
全氟橡胶
服务介紹
最新消息
公司简介
联系我们
立即拨打 15995676504
打电话
产品介紹
最新消息
联系我们
VP RM 单层微型真空吸盘
首页
>
产品专区
>
VP RM 单层微型真空吸盘
>
VP RM 单层微型真空吸盘
VP RM 单层微型真空吸盘
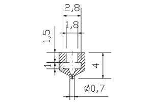
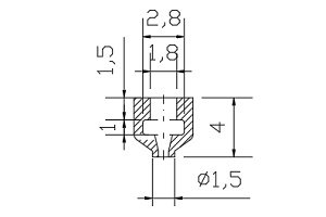
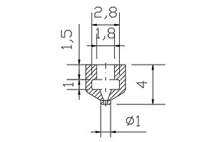
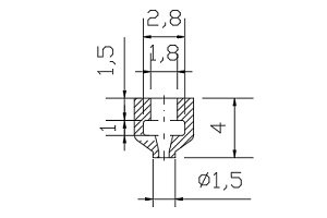
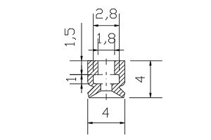
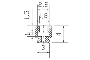
真空吸盘VP RM 单层微型 真空吸盘规格: 如下图 服务:提供客户各种真空吸盘材质予以应用,像是NBR、Silicone、VITON、FKM、导电NBR、导电硅胶、抗静电ESD,提升生产良率并且改善了生产时的印痕…等项目。欢迎与我们联络
线上咨询
产品资讯
真空吸盘型号
图片
尺寸图
备注
VM1-00.7
VP-0.7RM
VM1-01
VP-1RM
VM1-01.5
VP-1.5RM
VM1-02
VP-2RM
VM1-03
VP-3RM
VM1-04
VP-4RM