真空吸盘PAG系列 薄唇型吸盘

真空吸盘PAG系列:薄唇型吸盘 真空吸盘规格: 如下图 服务:提供客户各种真空吸盘材质予以应用,像是NBR、Silicone、VITON、FKM、导电NBR、导电硅胶、抗静电ESD,提升生產良率并且改善了生產时的印痕…等项目。欢迎与我们联络

产品资讯

真空吸盘型号 图片  尺寸图 备注
PA1-08A 真空吸盘PAG系列 薄唇型吸盘 真空吸盘PAG系列 薄唇型吸盘 PAG-08A
PA1-10A 真空吸盘PAG系列 薄唇型吸盘 真空吸盘PAG系列 薄唇型吸盘 PAG-10A
PA1-10B 真空吸盘PAG系列 薄唇型吸盘 真空吸盘PAG系列 薄唇型吸盘 PAG-10B
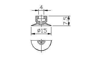
PA1-15A 真空吸盘PAG系列 薄唇型吸盘 真空吸盘PAG系列 薄唇型吸盘 PAG-15A
PA1-15B   真空吸盘PAG系列 薄唇型吸盘 PAG-15B
PA1-20A 真空吸盘PAG系列 薄唇型吸盘 真空吸盘PAG系列 薄唇型吸盘 PAG-20A
PA1-20B 真空吸盘PAG系列 薄唇型吸盘 真空吸盘PAG系列 薄唇型吸盘 PAG-20B
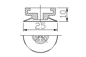
PA1-25   真空吸盘PAG系列 薄唇型吸盘 PAG-25
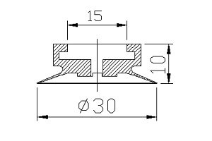
PA1-30A 真空吸盘PAG系列 薄唇型吸盘 真空吸盘PAG系列 薄唇型吸盘 PAG-30A
PA1-30B 真空吸盘PAG系列 薄唇型吸盘 真空吸盘PAG系列 薄唇型吸盘 PAG-30B
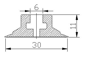
PA1-30 真空吸盘PAG系列 薄唇型吸盘 真空吸盘PAG系列 薄唇型吸盘 PAG-30