工程塑胶(PEEK)真空吸盘

PEEK材料是具有高性能的可熔融加工的聚合物材料,具有耐高温(长期可耐受260℃、耐腐蚀、耐水解、自润滑,耐磨损、高强度、尺寸稳定等特性优点。 无印痕,不会因为老化或腐蚀在吸附物表面出现痕迹 耐磨,出色的使用寿命 但是PEEK真空吸盘使用时需要重新计算吸附力,且对密封面需要保护,PEEK材质偏硬,不会像橡胶那样出现形变吸附,只能靠加工面的平整度实现 全勖昱有多种不同PEEK真空吸盘型式,欢迎来电洽询。 TEL : 886-2-7729 4111

产品资讯

真空吸盘型号 尺寸图 备注
ZB2-06KP 工程塑胶(PEEK)真空吸盘 ZP2-06KP
PC3-07KP 工程塑胶(PEEK)真空吸盘 PCG-07KP
ZB2-08KP 工程塑胶(PEEK)真空吸盘 ZP2-08KP
VB2-10KP 工程塑胶(PEEK)真空吸盘 VP2-10KP
PJ2-10KP 工程塑胶(PEEK)真空吸盘  
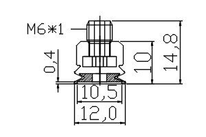
ZB2-10KP 工程塑胶(PEEK)真空吸盘  
CORE-10K 工程塑胶(PEEK)真空吸盘  
PJ2-12KP 工程塑胶(PEEK)真空吸盘  
ZB2-13KP 工程塑胶(PEEK)真空吸盘  
PJ2-15KP 工程塑胶(PEEK)真空吸盘  
ZB2-16KP 工程塑胶(PEEK)真空吸盘  
PC3-18KP 工程塑胶(PEEK)真空吸盘  
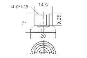
ZB2-20KP 工程塑胶(PEEK)真空吸盘  
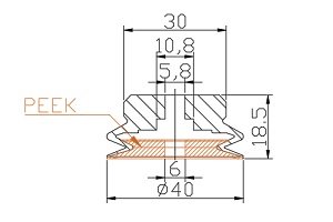
PJ2-20KP 工程塑胶(PEEK)真空吸盘  
PEEK-20*2.5*15 工程塑胶(PEEK)真空吸盘  
CORE-25KP 工程塑胶(PEEK)真空吸盘  
PJ2-25KP 工程塑胶(PEEK)真空吸盘  
ZB2-27KP 工程塑胶(PEEK)真空吸盘  
PJ2-30KP 工程塑胶(PEEK)真空吸盘  
S2-36KP 工程塑胶(PEEK)真空吸盘  
PJ2-40KP 工程塑胶(PEEK)真空吸盘  
S3-50KP 工程塑胶(PEEK)真空吸盘  
55KP 工程塑胶(PEEK)真空吸盘  
S3-55KP 工程塑胶(PEEK)真空吸盘